您的位置: 主页 > 新闻中心 >

第四季度执行报告-肇庆领誉环保实业有限公司

发布日期:2026-01-14 17:51
信息摘要:
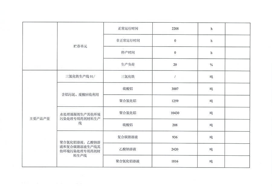
...
















上一篇:12月雨水、噪声检测报告-肇庆领誉环保实业有限
下一篇:2025年年度执行报告-肇庆领誉环保实业有限公司

关键词: 第四季度,执行,报告,肇庆,领誉,环保,实业,

推荐资讯
致敬每一份耕耘丨博芳集团祝全体员工及

致敬每一份耕耘丨博芳集团祝全体员工及

值此“五一”国际劳动节到来之际,博芳集团,向辛勤工作在各条战线上的博芳人,致以节日的问候和诚挚的祝福!每一个忙碌的身影都值得感激;每一份劳...
2026-05-12
今日清明丨风清景明,慎终追远

今日清明丨风清景明,慎终追远

清明节,又称踏青节、行清节、三月节、祭祖节等,在每年4月4日至6日之间,是祭祀、祭祖和扫墓的节日。清明节源自上古时代的祖先信仰与春祭礼俗,兼...
2026-05-12
应急始于心,防范始于行—— 博芳集团开

应急始于心,防范始于行—— 博芳集团开

为全面提升职工应急救护能力,筑牢职场安全防线。4月1日下午,博芳集团总部举办了一场主题为"应急始于心·防范始于行”的心肺复苏急救知识与AED使用...
2026-05-12
以春为序,共赴芳华丨博芳集团致敬每一

以春为序,共赴芳华丨博芳集团致敬每一

...
2026-05-12
元宵佳节 | 华灯逢元夜 今宵共团圆

元宵佳节 | 华灯逢元夜 今宵共团圆

华灯逢元夜,今宵共团圆正月十五,灯火辉煌佳节良辰,团圆美满博芳集团恭祝您和家人年年岁岁常圆满,朝朝暮暮乐逍遥阖家团圆,幸福安康,元宵节快...
2026-05-12

咨询热线

020-22883721